在设计零件配合的时候,有很多种偏差,笔者这里提供一种快速选择的方法,新手很容易看懂学会。这里笔者假设有一个孔和一个销子,现在要把销子装进孔里面去,装进去的松紧程度就需要选择合适的公差(公差选得不对可能造成太紧,或者装不进,也可能出现太松)。下面笔者就来介绍一下快速选择方法。
第一步:打开机械设计手册,我这里使用的是成大先主编,化学工业出版社,的机械设计手册第五版,第一卷,如图所示

第二步:翻开目录找到,第二章:极限与配合目录,如图所示

第三步:翻到设计手册的2-104页,找到常用有限配合特性及选用举例,如图所示

第四步:重点看装配方法,每种配合后面都写明了装配手段,手动旋入,木锤打入,铜锤打入,压力机压入等等,你要选择的配合松紧程度就根据这个来选择公差,

第五步:比如说我要求销子插入孔中,需要用手锤打入,那么在里面找装配方法,对应的就是用H7/k6配合,如果要紧一点就向上走,选H6/k5配合,如果要松一点就像下走,选择H8/k7配合。选择完成后,在出图的时候标注上即可
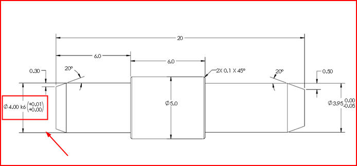
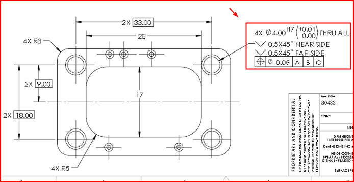
下面第一张图就表示的H7/k6配合中的周公差k6,下面第二张图就表示的H7/k6配合中孔的公差H7。其实很简单,实在不会的直接Q我。


本站文章均为作者原创,如需转载请标注出处,谢谢!
 SW技巧网
SW技巧网